NORELEM
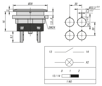
Bouton-poussoir avec anneau lumineux, version à encastrer, Ø 22,3 mm, raccordement par connecteur plat, compact
Bouton-poussoir à impulsion de forme ronde avec contacteur intégré et raccords
pour connecteurs plats (utiliser des douilles à fiche plate partiellement ou totalement
isolées). Avec capuchon pour bouton et LED blanche intégrée. La couleur est celle de
l’anneau coloré.
Nos boutons-poussoirs se distinguent par leur forme plate et leur design
ergonomique. Ils ont un diamètre de montage de 22,3 mm et sont faciles à monter.
Ces boutons répondent à toutes les normes en vigueur.
Certifications / normes respectées :
CCC, CE, cURus, DNVGL, ENEC10, VDE, UKCA.
EN 60947-5-1, EN 61058-1.
Matière :
Plastique.
Bornes de contact en AgNi.
Finition :
cadre frontal argenté.
LED blanche intégrée.
Données techniques :
Position de montage : libre.
Durée de vie mécanique : 1 000 000 cycles de commutation.
Durée de vie électrique : 1 000 000 cycles de commutation à la charge nominale.
Plage de température :
Température de stockage : -40 °C à +80 °C.
Température de service : -25 °C à +70 °C.
Accessoires :
Boîtiers de montage 81200, 81200-05.


English 

















