NORELEM
Doigts d’indexage verrouillables en acier à profil carré
Les doigts d’indexage verrouillables sont utilisés lorsqu'il faut éviter tout déplacement de la position d'arrêt sous l'effet de forces transversales.
Une rotation à 180° du verrou entraîne la rétractation du doigt d'arrêt, ce qui permet de modifier la position d'arrêt.
L'encoche d’arrêt permet de maintenir le verrou dans cette position et le doigt d'arrêt rétracté.
Matière :
Verrou et doigt d’arrêt en acier.
Douille 1.0403.
Ressort de compression 1.4310.
Capuchon de verrouillage en thermoplastique PA.
Finition :
Douille et verrou brunis.
Doigt d'arrêt trempé, rectifié et bruni.
Ressort de compression poli.
Capuchon de verrouillage en différents coloris :
- gris foncé RAL 7021.
- orange vif RAL 2004.
- jaune colza RAL 1021.
- rouge signalisation RAL 3020.
- vert signalisation RAL 6032.
- bleu signalisation RAL 5017.
- gris clair RAL 7035.
Nota :
Grâce à leur douille carrée, ces doigts d’indexage verrouillables peuvent être
soudés.
Un positionnement par soudage par points est recommandé afin d’éviter un
échauffement excessif du ressort.
Avantages :
Une rotation à 180° du verrou entraîne la rétractation du doigt d’arrêt.
Disponibles avec des capuchons de verrouillage en plastique de couleur.
Douille carrée, à souder.
Sur demande :
Versions spéciales.
Accessoires :
Douilles de positionnement 03099-50, 03099-60, 03099-61.
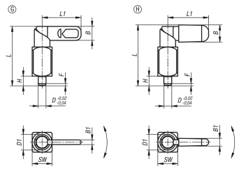
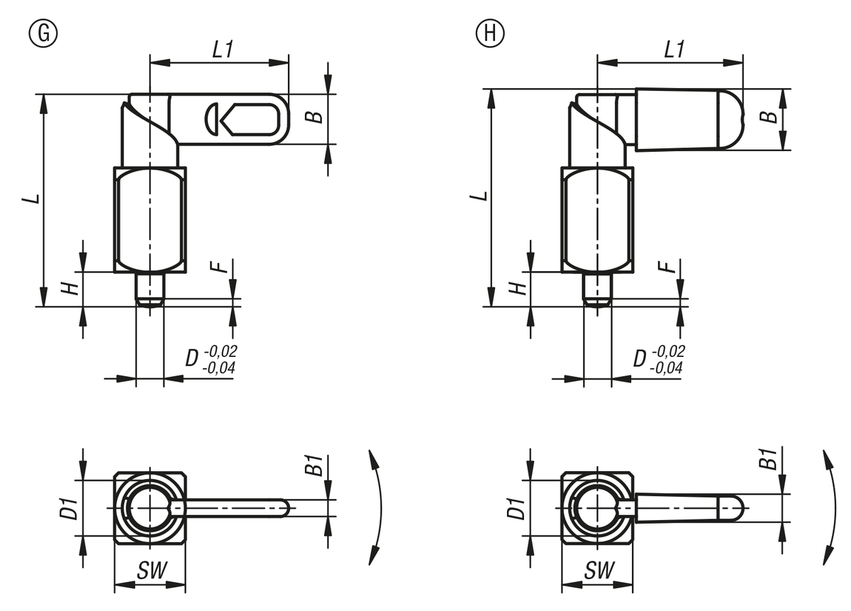
Indication de dessin :
Forme G : sans capuchon de verrouillage
Forme H : avec capuchon de verrouillage


English 


















