NORELEM
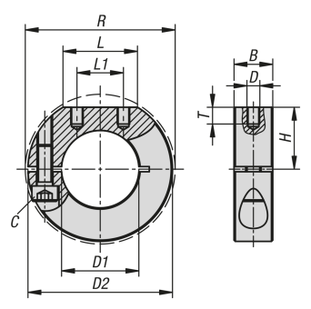
Bagues d’arrêt fendues en acier ou en inox, internes avec surface d’appui
Description
Les bagues d’arrêt fendues, internes avec surface d’appui, entourent l’arbre en
assurant une répartition homogène des forces de serrage. Elles épousent ainsi
parfaitement l’arbre et permettent des forces de maintien très importantes sans
endommager ce dernier.
La tolérance de l’arbre doit être en h11.
Le taraudage de montage des bagues d’arrêt fendues permet de fixer d’autres
éléments tels que des leviers de commande ou des cames sur des arbres et des
axes. Elles peuvent être montées facilement et en toute sécurité avec une force de
serrage importante en réduisant la hauteur des fentes, sans endommager la surface
des arbres et des axes.
Détails techniques
Matière :
Acier.
Inox 1.4305.
Finition :
Acier : bruni.
Inox : naturel.
À la une
NORELEM
Assemblage, fixationDescription
Fabricant et fournisseur, norelem est le leader mondial des composants standard destinés à la construction et à l’ingénierie mécanique.130 000 références produits composent la gamme générale, celle-ci couvre l’ensemble des besoins des entreprises en éléments standard mécaniques ainsi qu’en systèmes et composants pour la constructi...


English 


















