NORELEM
Bride flottante réglable en acier
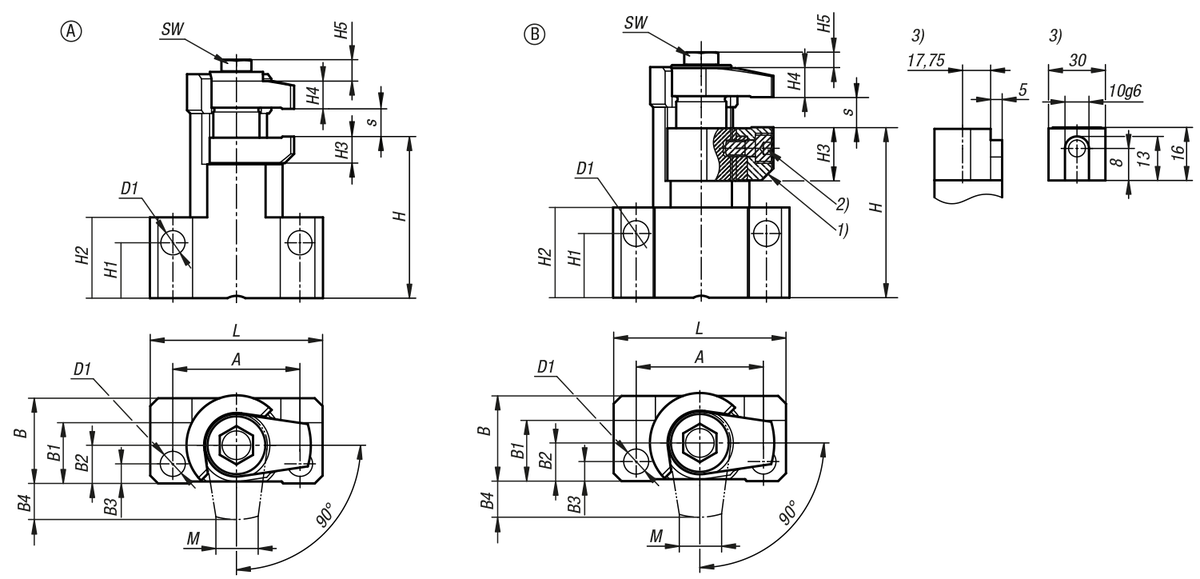
Le système de bridage réglable sert à serrer et à soutenir des points de bridage qui dépassent des composants. Il empêche les vibrations et la flexion lors de l'usinage.
Matière :
Corps de base et mors en acier.
Butée de fin de course en aluminium.
Finition :
Corps de base noir bruni.
Mors nitrocarburés et brunis en noir.
Butée de fin de course anodisée noire.
Mode d'emploi :
1. Poussez le système de bridage réglable vers le bas.
2. Faites pivoter les mors jusqu’à la butée. Le mors réglable du système de bridage
réglable doit alors être en contact avec la face inférieure de la pièce.
3. Fixez le système de bridage réglable à l’aide de l’écrou hexagonal SW (respectez
les couples min. et max.). Lors du serrage, la pièce à usiner est serrée et soutenue
en même temps.
4. Pour le desserrage, procédez dans l’ordre inverse.
Montage :
Réglez la plage de hauteur et la plage de pivotement et fixez le système de bridage
réglable au support à l’aide des trous (D1).
Lors du réglage de la hauteur, il faut tenir compte d’une marge suffisante vers le
haut.
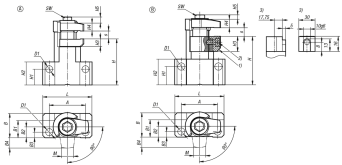
Forme B :
Pour les applications de serrage spéciales, le mors de serrage standard peut être
modifié ou remplacé.
Indication de dessin :
1) Mors de serrage interchangeable
2) Vis à tête cylindrique M6 ISO 4762
3) Interface de fixation pour mors de serrage


English 


















