NORELEM
Steel stop pin with thread
Description
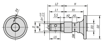
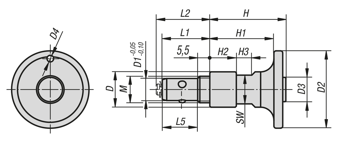
Form A mounting dimensions for 6 mm thick plates.
Form B mounting dimensions for plates with a thickness of 6 to 16 mm.
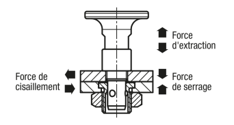
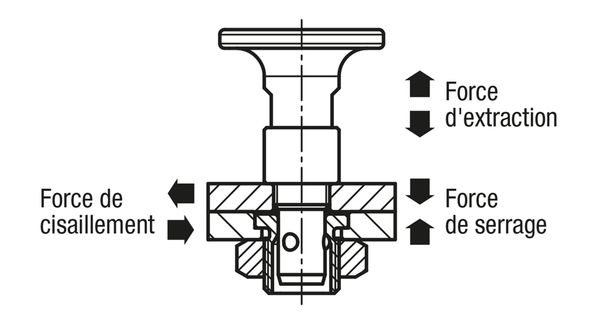
If the holding force is exceeded, a gap of more than 0.1 mm is observed between the plates.
Technical details
Matter :
Steel body and push button.
Stainless steel ball, spring and retaining ring.
FKM O-ring.
Finish : Nickel-plated body.
Treated and nickel-plated head.
Treated ball.
Attention :
The extraction forces indicated only apply when used with 03192-02 fixing sleeves.
Accessories :
Fixing sleeve 03192-02.
Administrative documents
In the spotlight
NORELEM
Assembly, fasteningDescription
Manufacturer and supplier, norelem is the world leader in standard components for construction and mechanical engineering. 70,000 product references make up the general range, which covers all the needs of companies in standard mechanical elements as well as in systems and components for the construction of machines and installations. All our pa...


Français 

















